Sign In | Join Free | My futurenowinc.com
China WD Bearing Group logo
WD Bearing Group
WD Bearing Group Quality Creates Value
Active Member

14 Years

Home > Bearings for Material Handling System >

Bearings for Material Handling System: Mast Rollers and Chain Pulleys CL3210KTN-2RS

WD Bearing Group
Contact Now

Bearings for Material Handling System: Mast Rollers and Chain Pulleys CL3210KTN-2RS

Place of Origin : China

Brand Name : WD

Certification : ISO9001, ISO14001

Packaging Details : industrial packing or individual packing

Delivery Time : 45-75 days

Payment Terms : T/T or L/c

Supply Ability : 30 million USD/year

Contact Now

Bearings for Material Handling System
Bearings for Material Handling System Track roller bearings can withdraw heavy load rating and shock load rating by their thick outer race. They are ready-to-fit units and are intended for all types of cam drives, tracks, conveyors, material handling systems and so on.
According to customer's application, the OD surface can be designed to be flat , crowned and other special ones. Cam rollers with crowned runner surfaces should always be used where angular misalignments with respect to the track expected and edge stresses kept to a minimum.
Track roller bearings are based on ball bearings, needle roller bearings as well as cylindrical roller bearings. Because of the wide variety of designs they are suitable for the most diverse operating conditions.
Tolerances:
WD track roller bearings are produced according to Normal tolerance P0 standard, except for the tolerance of the crowned runner surface diameter.The values for tolerances tally with ISO 492.
Clearance?
C2, C0, C3, C4, C5 radial internal clearance are available and also special radial internal clearance is available as customer's application providing the clearance limits are as specified in ISO 5753.
Load rating?
Dynamic load rating conform to ISO281/1 and static load rating conform to ISO76.
Lubrication ?
The track roller bearings, filled with lithium grease, have a good anti-rust capability and can work among the temperature range from-30?to+120?. Generally speaking, they are greased for life and are maintenance-free under normal working condition. However, if they are subjected to moisture or solid contaminants, or if they keep runing for a long periods under temperatures above 70?, they should be relubricated with same grease by the oil hole in the inner race or other lubrication method. High and low temperature grease are also available according to customer's request.
The WD track roller bearings consist of:
? Combined bearings
? Cam followers
? Mast rollers and chain pulleys
? Cam roller bearings
? Supporting rollers
? Other non-standard rollers

WD forklift bearings include mast rollers and chain pulleys, are essentially balls, cylindrical rollers or needle bearings which are with a thick-walled outer race. The pulleys are available with a flat runner surface or a crowned one, which can be designed according to customer's application. They can roll directly on the tray under heavy load and shock load. They are greased for life. Under normal operating conditions, they are maintenance-free, while they should be re-lubricated under severe working condition to prolong the working lifespan.
Application of WD forklift bearings:
1) Conveyor machinery ;
2) Lifting machinery;
3) Automotive line machinery;
4) Fork lift and construction machinery;
Advantages of WD forklift bearings:
1) Optimized structure and reliable quality;
2) Saving the mounting spaces in wide applications;
3) Ready-to-fit units and reducing the maintenance costs;
4) Greased for life and prolonging working lifespan;
5) High quality at competitive price;
6) Full range of mast roller and chain pulleys;
7) Well sealing ability and misaligning ability, can bear heavy loading capacity;


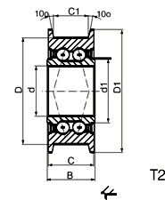
Bearing Code CL3210KTN-2RS
dmm 50
Dmm 100
Bmm 42
Cmm 40
C1mm 33
D1mm 115
d1mm 60
CKN 52.8
CoKN 58.5
MassKg 1.5
Reference indexItaly MRS.1236


































Product Tags:

mast rollers

      

roller ball bearings

      
Wholesale Bearings for Material Handling System: Mast Rollers and Chain Pulleys CL3210KTN-2RS from china suppliers

Bearings for Material Handling System: Mast Rollers and Chain Pulleys CL3210KTN-2RS Images

Inquiry Cart 0
Send your message to this supplier
 
*From:
*To: WD Bearing Group
*Subject:
*Message:
Characters Remaining: (0/3000)